Can be used as a flue gas valve or inlet valve for open, closed. The valve is used in, for example:
| 01 | 02 | 03 | 04 | |
| Body | SJ355 | SS304 | SS316Ti | SS310 |
| Blades | SJ355 | SS304 | SS316Ti | SS310 |
| Stems | SS304 | SS304 | SS316Ti | SS310 |
| Finish | Coating | / | / | / |
| Tmax | 450°C | 600°C | 650°C | 1.000°C |

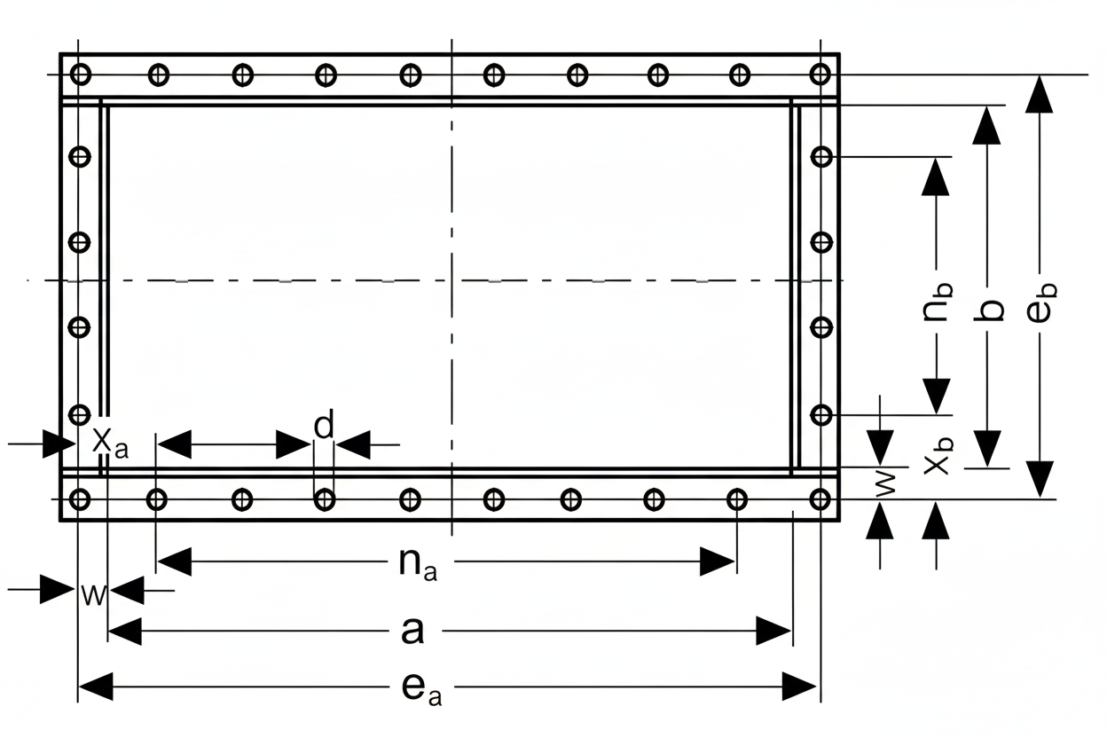
| Size | a / b | Tol. | e | x | Divider na | Holes ea | w | d |
| 300 | 302 | +1,5 | 336 | 105,5 | 1 | 4 | 17 | 10 |
| 315 | 317 | 351 | 113 | |||||
| 335 | 337 | 371 | 123 | |||||
| 355 | 357 | 391 | 133 | |||||
| 375 | 377 | 411 | 143 | |||||
| 400 | 402 | 436 | 155,5 | |||||
| 425 | 427 | 461 | 168 | |||||
| 450 | 452 | 512 | 68,5 | 3 | 6 | 30 | 15 | |
| 475 | 477 | 537 | 81 | |||||
| 500 | 502 | 562 | 93,5 | |||||
| 530 | 532 | 592 | 108,5 | |||||
| 560 | 562 | 622 | 123,5 | |||||
| 600 | 602 | +2 | 662 | 143,5 | ||||
| 630 | 632 | 692 | 158,5 | |||||
| 670 | 672 | 732 | 178,5 | |||||
| 710 | 712 | 772 | 73,5 | 5 | 8 | |||
| 750 | 752 | 812 | 93,5 | |||||
| 800 | 802 | 862 | 118,5 | |||||
| 850 | 852 | 912 | 143,5 | |||||
| 900 | 902 | 962 | 168,5 | |||||
| 950 | 952 | 1012 | 68,5 | 7 | 10 | |||
| 1000 | 1002 | 1062 | 93,5 | |||||
| 1060 | 1062 | 1132 | 128,5 | 35 | 19 | |||
| 1120 | 1122 | 1192 | 158,5 | |||||
| 1180 | 1182 | 1252 | 188,5 | |||||
| 1250 | 1252 | 1322 | 98,5 | 9 | 12 | |||
| 1320 | 1322 | 1392 | 133,5 | |||||
| 1400 | 1402 | 1472 | 173,5 | |||||
| 1500 | 1502 | 1572 | 98,5 | 11 | 14 | |||
| 1600 | 1602 | 1692 | 158,5 | 45 | 24 | |||
| 1700 | 1702 | 1792 | 85,5 | 13 | 16 | |||
| 1800 | 1802 | 1892 | 133,5 | |||||
| 1900 | 1902 | 1992 | 183,5 | |||||
| 2000 | 2002 | 2092 | 108,5 | 15 | 18 |
* mm
** Available in custom sizes